● 主要用途
FKN12A-12D压气式负荷开关,FKRN12A-12D系列压气式负荷开关-熔断器组合电器,适用于12kV及以下三相配电系统中,作为变压器、电缆、架空线路等电力设备的控制和保护之用;特别适用于城网、农网的终端变电站及箱式变电站。并适用于环网、双辐射供电单元的控制和保护。
FKN12A-12D系列压气式负荷开关可以分合负载电流和过载电流。
FKRN12A-12D系列压气式负荷开关-熔断器组合电器可以分合负载电流,过载电流,开断线路短路电流。
● 型号含义

说明:弹簧机构分为手动操作弹簧机构和电动操作弹簧机构。
● 使用环境条件
周围空气温度 上限:+40℃, 下限:-25℃
海拔高度不超过1000m;
相对湿度:日平均值不大于95%,月平均值不大于90%;
地震烈度不超过8度;
无火灾、爆炸危险,化学腐蚀及剧烈振动的场所;
污秽等级:Ⅱ。
● 结构特点
负荷开关、接地开关、熔断器及机构在一个框架上,可灵活组合,结构紧凑,体积小,安装方便简易;
断口为直动式布置,动、热稳定电流参数高,一次性完成操作;
具有静触头绝缘罩,使环网柜在结构上实现了隔离,省去了相间绝缘隔板,断口绝缘插板,可防止柜内弧光短路事故;
具有独特的活门结构,负荷开关分闸后,后门自动将断口隔离,防护性好;
负荷开关与接地开关、熔断器之间有可靠的机械闭锁装置,满足“五防”要求;
具有手动操作及交直流两用操作电源的电动操作两种形式,便于实现电力系统“三遥”要求。
● 主要技术参数


● FKN12A-12D侧装右操作

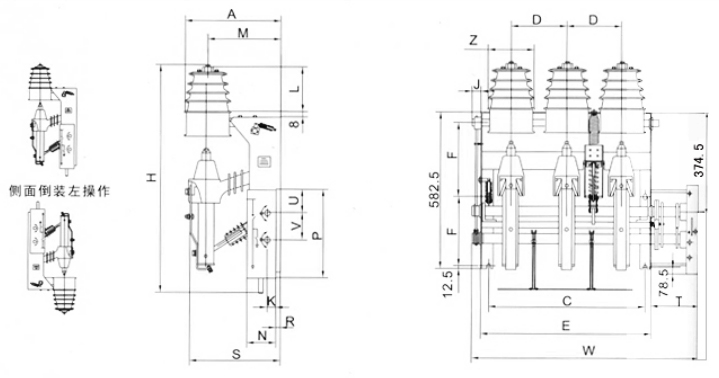
● 侧面倒装操作


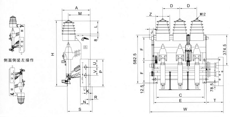
● FKRN12A-12D侧装右操作、侧面倒装左操作

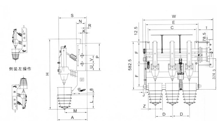
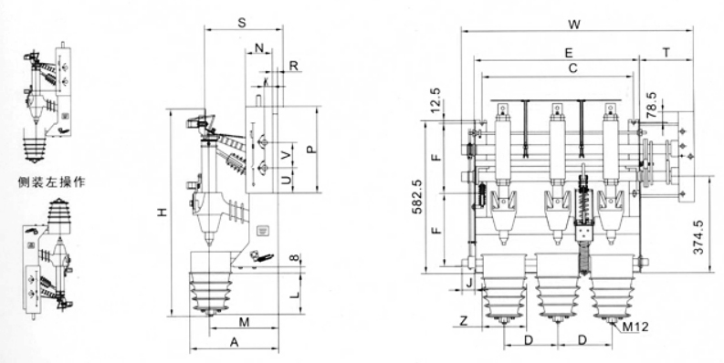
● 侧面倒装有操作、侧装左操作


● FKN12A-12D、FKRN12A-12D电动机构侧装右操作

● FKN12A-12D、FKRN12A-12D电动机构侧装左操作

