FZN25 series vacuum load break sw1tch/sw1tch-fuse combinations are suitable for three-phase AC50Hz ring network or terminal power supply and industrial electric equipments, it's mainly used for load control and short-circuit protection. The load break switch makes and breaks the load current, closed-loop current, no-load transformer and cable changing current. The comb1nat1on can break any current up to rated short-c1rcu1t current. The directly-acting isolating distance and arc-extinguishing chamber are linked, with manual and electrical function.
FZN25's unique drive mechanism enables the arc-extinguishing chamber to bear Medium voltage only at the moment of closing and making, which real1zes small volume and light weight
It allows one-time operation for isolating distance and arc-extinguishing chamber open distance.
Grounding shutter, between the conducting tubes of fixed contact and moving contact, linked with earth switch guarantees safety and convenience for maintenance.

Main Technical Parameters
NO. | Item | Unit | Parameter | ||
FZN25-12D/T630-20 | ZN25-12DR/T125-31.5 | ||||
1 | Rated voltage | KV | 12 | ||
2 | Rated frequency | HZ | 50 | ||
3 | Rated current | A | 630 | 125 | |
4 | Rated current | 1 min power frequency withstand voltage | KV | Arc-extinguishing chamber opening distance:30, phase-to-phase, phase-to-phase 42; across isolating distance 48 | |
Lightning impulse withstand voltage | KV | Phase-to-phase, phase-to-phase 75; across isolating distance 85 | |||
5 | Rated dynamic current (peak) | KA | 50 | - | |
6 | 4S thermal stability current | KA | 20 | - | |
7 | Rated active load breaking currentRated active load breaking current | A | 630 | 125 | |
8 | Rated closed-loop breaking current | A | 630 | 125 | |
9 | Rated cable charging breaking current | A | 10 | 10 | |
10 | No-load transformer breaking capacity | KVA | 1250 | 1250 | |
11 | Rated short c1rcu1t breaking current | KA | - | 31.5 | |
12 | Rated transfer current, rated take-over current | A | - | 2000 | |
13 | Model of fuse | - | SDLAJ-12 SFLAJ-12 | ||
14 | Output energy of striker | J | - | 2-5(Medium) | |
15 | Rated short circuit making current | KA | 50 | ||
16 | Rated dynamic current of earth switch | KA | 50 | ||
17 | 2S thermal stability current of earth switch | KA | 20 | ||
18 | Rated voltage of auxiliary circu仆 | V | AC/CD220, 110 | ||
19 | Mechanical life | Time | 10000 | ||
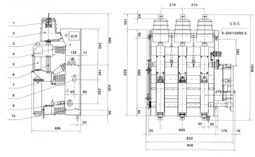
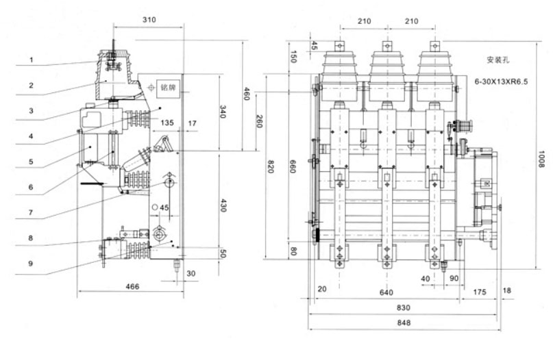
Outline and Installation Size

1 Fixed contact
2 Insulating cover
3 Shutter
4 Chassis
5 Vacuum arc-extinguishing
chamber
6 Conducting tube
7 Energy storage shaft
8 Earth switch shaft
9 Operation panel

1 Fixed contact
2 Insulating cover
3 Shutter
4 Chassis
5 Vacuum arc-extinguishing
chamber
6 Guide plate
7 Fuse
8 Energy storage shaft
9 Earth switch shaft
10 Operation panel