开关系列
● 概 述
FN7——12DR型户内交流高压负荷开关是适用于交流50Hz,额定电压12Kv的三相交流电力系统中作为开断负荷电源及关合短路电流之用,组合电器可开断直至短路电流的任何电流,可作为保护之用。
● 安装及使用
周围空气温度 上限:+40℃,下限:——25℃
海拔高度不超过1000m;
相对湿度:日平均值不大于95%,月平均值不大于90%;
周围空气应不受腐蚀性或可燃性气体及水蒸气等明显污染;
无经常性剧烈振动。
● 额定参数

● 主要规格

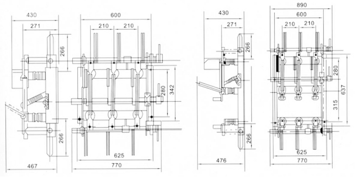
● FN12——12D/630——20户内交流高压负荷开关外形及安装尺寸

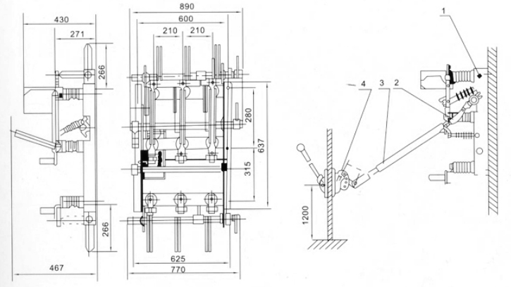
● FN12——12DR/100——31.5交流高压负荷开关——熔断器组合电器外形及安装尺寸
