开关系列
● 概 述
FN12-12D和FN12-12DR组合电器是额定电压12kV、额定频率50Hz的三相高压开关设备用于分合负荷电流、闭环电流、空载变压器和电缆充电电流、关合短路电流、熔断器组合电器可开断短路电流,配装接地开关的负荷开关,可以承受短路电流,主要用于三相环网或终端供电的市区配电站和工业用电设备中,作负荷控制和短路保护作用。
● 型号含义

● 主要技术参数

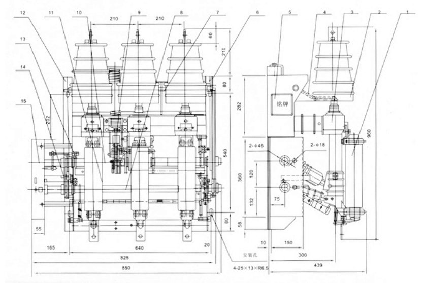
● FN12-12D/630-20户内交流高压负荷开关外形及安装尺寸

1.静触头部装 2.动触头部装 3.绝缘活门组装 4.铭牌 5.活门联动机构 6.活门轴组装 7.操作机构组装 8.地刀轴组装
9.主轴转动轴组装 10.机架焊装 11.加冲器组装 12.联锁机构组装 13.操作面板级装
● FN12-12DR/100-31.5交流高压负荷开关-熔断器组合电器外形及安装尺寸

1.熔断器 2.静触头部装 3.动触头部装 4.绝缘活门组装 5.铭牌 6.活门联动机构 7.活门联动机构 8.地刀轴组装
9.操作机构组装 10.主轴转动轴组装 11.脱扣轴组装 12.机架焊装 13.回冲器组装 14.联锁机构组装 15.操作面板组装